Котел на дровах 1.25 МВт в Степногорске

1.25 МВт котел на дровах
Котел на дровах 1.25 МВт
Чертеж котла на дровах 1.25 МВт с колосниками
Котел на дровах 1.25 МВт с колосниками чертеж
Шибер газохода к котлу 1.25 МВт на дровах
Шибер газохода котла на дровах 1.25 МВт
Котел 1.25 МВт на дровах - изготовление
Изготовление котла на дровах 1.25 МВт
Котлы 1.25 МВт на дровах - производство
Производство котлов на дровах 1.25 МВт
Котел 1.25 МВт на дровах - обмуровка
Обмуровка котла на дровах 1.25 МВт
Котлы 1.25 МВт на дровах - изготовление
Изготовление котлов на дровах 1.25 МВт
Котел 1.25 МВт на дровах - топка с охлаждаемыми колосниками
Топка с охлаждаемыми колосниками котла на дровах 1.25 МВт
Котел КВД-1.25 МВт на дровах - колосниковая топка
Колосниковая топка котла на дровах 1.25 МВт
Чертеж фундамента котла на дровах 1.25 МВт с колосниками
Котел на дровах 1.25 МВт с колосниками фундамент
Чертеж котла на дровах 1.25 МВт с ОУР
Котел на дровах 1.25 МВт с ОУР чертеж
Чертеж фундамента котла на дровах 1.25 МВт с ОУР
Котел на дровах 1.25 МВт с ОУР фундамент
1.25 МВт котел на дровах
Чертеж котла на дровах 1.25 МВт с колосниками
Шибер газохода к котлу 1.25 МВт на дровах
Котел 1.25 МВт на дровах - изготовление
Котлы 1.25 МВт на дровах - производство
Котел 1.25 МВт на дровах - обмуровка
Котлы 1.25 МВт на дровах - изготовление
Котел 1.25 МВт на дровах - топка с охлаждаемыми колосниками
Котел КВД-1.25 МВт на дровах - колосниковая топка
Чертеж фундамента котла на дровах 1.25 МВт с колосниками
Чертеж котла на дровах 1.25 МВт с ОУР
Чертеж фундамента котла на дровах 1.25 МВт с ОУР
Цена
6 658 920 ₸
От 6 658 920 ₸ с доставкой до г.
  • Котел для работы на дровах, досках, поддонах и других крупных кусковых отходах
  • Объемная и высокая топка для загрузки большого количества дров при одной закладке
  • Возможно изготовление дверок по индивидуальным размерам для удобной загрузки топлива

Технические характеристики котла на дровах 1.25 МВт

МаркаКотел на дровах 1.25 МВт
ВидВодогрейный
Тип отопительного котлаТвердотопливный
БрендHEATEXPERT
ТипКотел КВД
Вид топкиРучная, Колосники, ОУР
Максимальная тепловая мощность1.25 МВт
Максимальная тепловая мощность1250 кВт
Максимальная тепловая мощность1.07 Гкал
Диапазон регулирования мощности50-100 %
ТопливоТвердое, Дрова
Низшая теплота сгорания проектного топлива2440 кКал/кг
Влажность топлива40 %
КПД котла на ДРОВАХ, не меннее80 %
Расход ДРОВ среднечасовой за отопительный сезон316 кг/ч
Расход ДРОВ среднечасовой за отопительный сезон0.66 м³/ч
Расход ДРОВ при максимальной нагрузке котла553 кг/ч
Расход ДРОВ при максимальной нагрузке котла1.15 м³/ч
Расход условного топлива193 кг/ч
Минимальная температура воды на входе в котел55 °С
Максимальная температура воды на выходе из котла115 °С
Давление воды, не более0.3-0.6 (3-6) МПа (кгс/см²)
Номинальный расход теплоносителя43 м³/ч
Расход теплоносителя через котел min-max32-54 м³/ч
Гидравлическое сопротивление при номинальном расходене более 0.07 (0.7) МПа (кгс/см²)
Аэродинамическое сопротивление165 (16.5) Па (мм. вод. ст.)
Разряжение в топочной камере20-40 (2-4) Па (мм. вод. ст.)
Объем уходящих газов5220 м³/ч
Температура уходящих газов250 °С
ТягаУравновешенная
Водяной объем котла770 л
Объем топочной камеры3.77 м³
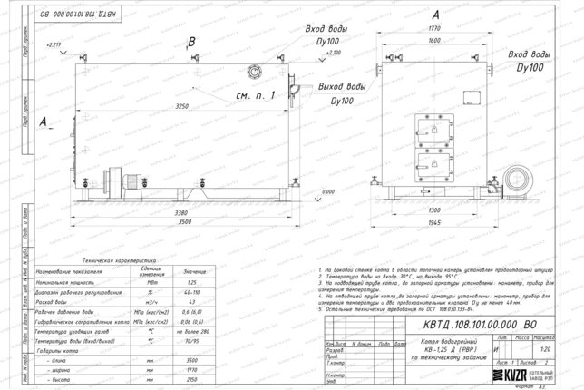
Размер топочной камеры, длина*ширина*высота1705х1300х1700 мм
Активная площадь решетки горения2.22 м²
Присоединительные размеры по водяному тракту100 Ду
Присоединительные размеры газохода уходящих газов, ширина*высота / сечение600х300 / 0.18 мм/м²
Габаритные размеры котла, длина*ширина*высота3085х1930х2250 мм
Масса2670 кг
Конструкция котлаВодотрубная
Количество контуровОдноконтурный
РазмещениеНапольный
Тип камеры сгоранияОткрытый
УправлениеЭлектронное
Принцип работы твердотопливного котлаКлассический
ЭнергонезависимыйНет
Тип питанияТрехфазное
Встроенный циркуляционный насосНет
Встроенный расширительный бакНет
ЭнергоэффективностьВысокая
Отапливаемая площадьот 10400 до 13600 м²
Отапливаемый объемот 31200 до 40800 м³

Твердотопливный котел на дровах 1.25 МВт в Степногорске

Промышленный отопительный котел на дровах мощностью 1.25 МВт нагревает воду температурой 115 °С, применяется для отопления и горячего водоснабжения маленьких и больших помещений и зданий. Используется в котельных с ручными топками.

Водогрейный котел 1,25 подходит для сжигания дров, поддонов, досок и других древесных кусковых отходов. Большой объем топочной камеры и оптимальная высота обеспечивает полное выгорание топлива. Объемная зона загрузки и горения позволяет укладывать большое количество дров при одной закладке.

Конструкция дровяного котла 1,25 МВт

Стальной водонагревательный дровяной котел 1 25 МВт - напольный, горизонтальный с ручной топкой. Передняя нижняя часть теплоагрегата – это чугунная колосниковая или стальная водоохлаждаемая топка. В задней части трубной системы установлены конвективные пакеты. Наружная изоляция выполняется стальными листами с огнестойкими плитами. Для очистки конвективной части имеется люк. На фронтовой плите устанавливаются две дверки, расположенные одна над другой.

Топочная часть

Топочная камера нагревательного котла 1,25 МВт на дровах выполнена из стальных водоохлаждаемых панелей для предотвращения деформации конструкции. Газоплотное исполнение топки исключает присосы холодного воздуха и выбивание горячих газов за пределы котла, повышая его КПД. В дополнительной поворотной камере, установленной на выходе из топки перед конвективным пучком происходит догорание легких и мелких топливных древесных частиц.

Колосниковая топка

Чугунные колосники собираются в решетку для поддержания слоя топлива, подачи воздуха в топку для горения и отделения зольника от топливной камеры. Отверстия в колосниках необходимы для удаления золы. Чтобы отверстия не забивались, снизу они расширяются. Дрова забрасываются на решетку через верхнюю дверцу. Верхняя загрузка способствует равномерному заполнению топочной камеры и контролю процесса горения. Под колосниками находится зольный короб с дверкой для чистки.

Водоохлаждаемая топка

Водоохлаждаемая топка состоит из труб наполненных водой, между которыми приварены полосы металла с отверстиями. Отверстия способствуют равномерному распределению воздуха по всей площади. Маленький размер отверстий не дает провалиться в зольник недогоревшему топливу. Дрова находятся в топке до полного их прогорания. Охлаждение колосников предохраняет их от перегрева и прогорания.

Конвективная часть

Конвективная поверхность производственного водотрубного котла 1,25 МВт на дровах выполнена из плотных регистров, вставленных друг в друга в шахматном порядке. Это обеспечивает значительную нагревательную площадь и высокий коэффициент передачи тепла. В связи с этим горячие дымовые газы подвергаются охлаждению до 180-200 °С.

Гидравлическая схема котла

Конструкция твердотопливного дровяного котла 1.25 МВт для отопления предполагает минимальные требования к водоподготовке. Скорость движения воды в трубах вызывает турбулизацию водного потока, что препятствует отложению солей и образованию накипи на стенках труб. Коллекторы котла снабжены многочисленными перегородками, которые не допускают образование застойных зон, возникновение теплового напряжения в трубах и перегрев.

Купить дровяной котел 1.25 МВт

Для того, что бы купить котел на дровах 1.25 МВт в Степногорске вы можете сделать заявку по телефону +7-7172-69-59-73, либо оформить заявку онлайн. Менеджеры дадут консультацию по подбору вспомогательного оборудования для выбранных вами моделей и рассчитают стоимость доставки. Транспортирование котлоагрегата и вспомогательного оборудования до объекта осуществляется автомобильным транспортом.

Комплект поставки котла на дровах 1.25 МВт

Вентилятор
Вентилятор 2,5 с дв. 4/3000
1 штука
Затвор Ду 100
Затвор Ду 100
2 штуки
Колосники котлов
Колосник 1180x220
8 штук
Предохранительный клапан 17с28нж Ду 50
Клапан предохранительный 17с28нж Ду 50
1 штука
Клапан обратный
Клапан обратный
1 штука
Манометр МП 160
Манометр МП 160
2 штуки
Кран трехходовой ДУ 15
Кран Ду 15
2 штуки
Термометр ТТЖО
Термометр ТТЖО
2 штуки
Оправа термометра ОПТ
Оправа ОПТ
2 штуки
Вентиль Ду 15
Вентиль Ду 15
5 штук
Вентиль Ду 20
Вентиль Ду 20
7 штук

Вспомогательное оборудование для работы котла на дровах 1.25 МВт

Насос К консольный
К 80-65-160
Цена 455 376 тг.
Насос К консольный
К 65-50-125
Цена 336 444 тг.
Насос TD
Насос TD40-36G2 (5.5 кВт)
Цена 1 225 572 тг.
Насос TD
Насос TD80-29G2 (7.5 кВт)
Цена 1 294 896 тг.
Насос CHL
Насос CHL4-40 (0.75 кВт)
Цена 352 344 тг.
Дымосос ДН 6.3
Цена 644 904 тг.
Золоуловитель ЗУ 1.0
Цена 387 960 тг.
Дымосос ДН 8
Цена 1 380 756 тг.

Аналоги котла на дровах 1.25 МВт

На древесных отходах котел 1.25 МВт
Котел на древесных отходах 1.25 МВт
Вид топкиРучная, Подовая
Максимальная тепловая мощность, МВт1.25
ТопливоТвердое, Дрова, Древесные отходы естественной влажности
Отапливаемая площадь, м²от 10400 до 13600
Цена 7 167 720 тг.
Котел 1.25 МВт дрова уголь
Котел 1.25 МВт уголь дрова
Вид топкиРучная, Колосники, ОУР
Максимальная тепловая мощность, МВт1.25
ТопливоТвердое, Уголь, Дрова
Отапливаемая площадь, м²от 10400 до 13600
Цена 5 863 920 тг.
Котел КВр-1.25 К
Котел КВр 1.25 МВт
Вид топкиРучная, Колосники
Максимальная тепловая мощность, МВт1.25
ТопливоТвердое, Уголь
Отапливаемая площадь, м²от 10400 до 13600
Цена 5 628 600 тг.
На опилках котел 1.25 МВт
Котел на опилках 1.25 МВт
Вид топкиВихревая, Автоматическая
Максимальная тепловая мощность, МВт1.25
ТопливоТвердое, Опилки
Отапливаемая площадь, м²от 10400 до 13600
Цена 14 742 480 тг.
1.16 МВт котел на дровах
Котел на дровах 1.16 МВт
Вид топкиРучная, Колосники, ОУР
Максимальная тепловая мощность, МВт1.16
ТопливоТвердое, Дрова
Отапливаемая площадь, м²от 8900 до 12800
Цена 6 022 920 тг.
1.45 МВт котел на дровах
Котел на дровах 1.45 МВт
Вид топкиРучная, Колосники, ОУР
Максимальная тепловая мощность, МВт1.45
ТопливоТвердое, Дрова
Отапливаемая площадь, м²от 12200 до 16000
Цена 7 072 320 тг.

Сертификат и качество котла на дровах 1.25 МВт

Сертификат на водогрейные котлы на твердом и жидком топливе
Сертификат на водогрейные котлы на твердом топливе

Собственное производство

Котельный завод производит
  • Паровые котлы от 300 кг до 2.5 тонны пара в час
  • Промышленные водогрейные котлы от 150 КВт до 4 МВт на всех видах топлива
  • Механические топки ТШПМ, шурующая планка и ТЛПХ, ленточное полотно прямого хода
  • Циклоны для очистки воздуха и дымовых газов для производств и промышленных отраслей
  • Транспортеры и системы топливоподачи и шлакоудаления
Подробнее о производстве
Собственное производство
Смотреть видео
с производства